Профиль ZS-C
ZS-C Profile-001
| штат: | |
|---|---|
| Количество: | |
Настроить Металлический лист рамной конструкции Специальный стальной профиль Профилегибочная машина для холодной прокатки
Машина для холодной прокатки может производить множество видов стальных профилей в соответствии с требованиями заказчика. Если у вас есть какие-либо интересные детали, пожалуйста, отправьте нам свой чертеж.
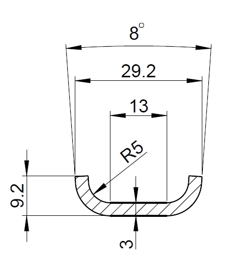
Эта конструкция представляет собой стальную раму мотоцикла.
Длина резки этого профиля составляет 600-900 мм, поэтому мы используем серводвигатель для повышения точности.
Мы используем литейную раму для всех станций, это позволяет гарантировать стабильную работу машины.
Толщина материала составляет 3 мм, поэтому машина приводится в движение коробкой передач, что обеспечивает ее мощную работу.
Резка контролируется системой гидравлического масляного насоса:
Мы тестируем катушку и сравниваем ее с чертежом, чтобы убедиться, что все соответствует требованиям клиента.
Спецификация:
Нет. | Элемент | Единица | |
С-профиль Профилегибочная машина | |||
1. | Материал обработки | Оцинкованная сталь | |
2. | Тип профиля | По запросу клиента | |
3. | Толщина питающей катушки | мм | 2,0-3,0 |
4. | Да | М в год | 300 - 650 |
5. | Материал твердого вала | Высококачественная сталь 45 #, Закалка и отпуск | |
6. | Диаметр вала | мм | 70 |
7. | Ролл-станция | Нет. | 6 |
8. | Прокатный материал | GCr15 | |
9. | Обработка ролика | мм | Твердое хромированное покрытие 0,05 - 0.08 |
10. | Линейная скорость | Около 12-15 м/мин | |
11. | Тип привода для профилирования Машина | Коробка передач | |
12. | Мощность главного двигателя | кВт | 7.5 |
Резка Машина | |||
13. | Тип | Гидравлический, управляемый ПЛК Резка | |
14. | Толщина емкости | мм | 2,0-3,0 |
15. | Ширина емкости | мм | Как рисунок |
16. | Марка стали режущего лезвия | Cr12, закалка | |
17. | Твердость | 58-62HRC | |
18. | Допуск на резку | мм | +/- 1 |
Устройство управления | |||
19. | Тип | Контролируемый ПЛК | |
20. | Бренд ПЛК | Дельта | |
21. | Преобразователь частоты | Дельта | |
22. | Мощность преобразователя частоты | кВт | 4 |
23. | Размер машины | Около 3,5 м*0,75 м*1,4 м | |
24. | Масса | килограммы | 2800 |
ЧАСТО ЗАДАВАЕМЫЕ ВОПРОСЫ:
Вопрос 1.Есть ли у вас послепродажная поддержка?
О1: Да, мы рады предоставить совет, и у нас также есть квалифицированные специалисты по всему миру.
В2.Вы продаете только стандартные машины?
О2: Нет, большинство наших машин изготавливаются в соответствии со спецификациями клиентов с использованием компонентов ведущих брендов.
Вопрос 3.Что вы будете делать, если машина сломается?
A3: Мы предоставляем 18 месяцев бесплатной гарантии и бесплатную техническую поддержку на весь срок службы любой машины.Если сломанные детали не могут
Ремонт, мы можем бесплатно отправить новые детали на замену сломанных деталей, но вам нужно оплатить стоимость экспресс-доставки самостоятельно.Если это за пределами
гарантийный срок, мы можем договориться, чтобы решить проблему, и мы предоставляем техническую поддержку на весь срок службы
оборудование.
Настроить Металлический лист рамной конструкции Специальный стальной профиль Профилегибочная машина для холодной прокатки
Машина для холодной прокатки может производить множество видов стальных профилей в соответствии с требованиями заказчика. Если у вас есть какие-либо интересные детали, пожалуйста, отправьте нам свой чертеж.
Эта конструкция представляет собой стальную раму мотоцикла.
Длина резки этого профиля составляет 600-900 мм, поэтому мы используем серводвигатель для повышения точности.
Мы используем литейную раму для всех станций, это позволяет гарантировать стабильную работу машины.
Толщина материала составляет 3 мм, поэтому машина приводится в движение коробкой передач, что обеспечивает ее мощную работу.
Резка контролируется системой гидравлического масляного насоса:
Мы тестируем катушку и сравниваем ее с чертежом, чтобы убедиться, что все соответствует требованиям клиента.
Спецификация:
Нет. | Элемент | Единица | |
С-профиль Профилегибочная машина | |||
1. | Материал обработки | Оцинкованная сталь | |
2. | Тип профиля | По запросу клиента | |
3. | Толщина питающей катушки | мм | 2,0-3,0 |
4. | Да | М в год | 300 - 650 |
5. | Материал твердого вала | Высококачественная сталь 45 #, Закалка и отпуск | |
6. | Диаметр вала | мм | 70 |
7. | Ролл-станция | Нет. | 6 |
8. | Прокатный материал | GCr15 | |
9. | Обработка ролика | мм | Твердое хромированное покрытие 0,05 - 0.08 |
10. | Линейная скорость | Около 12-15 м/мин | |
11. | Тип привода для профилирования Машина | Коробка передач | |
12. | Мощность главного двигателя | кВт | 7.5 |
Резка Машина | |||
13. | Тип | Гидравлический, управляемый ПЛК Резка | |
14. | Толщина емкости | мм | 2,0-3,0 |
15. | Ширина емкости | мм | Как рисунок |
16. | Марка стали режущего лезвия | Cr12, закалка | |
17. | Твердость | 58-62HRC | |
18. | Допуск на резку | мм | +/- 1 |
Устройство управления | |||
19. | Тип | Контролируемый ПЛК | |
20. | Бренд ПЛК | Дельта | |
21. | Преобразователь частоты | Дельта | |
22. | Мощность преобразователя частоты | кВт | 4 |
23. | Размер машины | Около 3,5 м*0,75 м*1,4 м | |
24. | Масса | килограммы | 2800 |
ЧАСТО ЗАДАВАЕМЫЕ ВОПРОСЫ:
Вопрос 1.Есть ли у вас послепродажная поддержка?
О1: Да, мы рады предоставить совет, и у нас также есть квалифицированные специалисты по всему миру.
В2.Вы продаете только стандартные машины?
О2: Нет, большинство наших машин изготавливаются в соответствии со спецификациями клиентов с использованием компонентов ведущих брендов.
Вопрос 3.Что вы будете делать, если машина сломается?
A3: Мы предоставляем 18 месяцев бесплатной гарантии и бесплатную техническую поддержку на весь срок службы любой машины.Если сломанные детали не могут
Ремонт, мы можем бесплатно отправить новые детали на замену сломанных деталей, но вам нужно оплатить стоимость экспресс-доставки самостоятельно.Если это за пределами
гарантийный срок, мы можем договориться, чтобы решить проблему, и мы предоставляем техническую поддержку на весь срок службы
оборудование.
